

産品簡介:
陶瓷偏心半球閥利用偏心閥體、偏心球體、閥座,閥杆作旋轉運動時在共同軌迹自(zì)動定心,關閉過程中越關越緊,完全達到良好的(de)密封目的(de)。閥門的(de)球體和(hé)閥座完全脫離(lí),消除了密封圈的(de)磨損,克服了傳統球體閥座與球體密封面始終磨損的(de)問題,非金屬彈性材料被嵌入金屬座中,閥座金屬面受到良好的(de)保護。特别适用于鋼鐵業,洗選礦、電站、除灰等行業,礦料漿液,灰渣漿液等介質。
閥門的(de)閥座和(hé)半球體的(de)密封面均采用工程陶瓷、硬度高(gāo)、耐沖蝕、壽命長(cháng)。适用于含有粉狀顆粒的(de)固液混合介質,作啓閉用;半球體為(wèi)固定球式,剛性好。形狀為(wèi)V形半球,體積小,重量輕; 閥座密封面與半球密封面間距具有可(kě)調性,故閥門在使用一(yī)定時間後,密封面間距可(kě)再進行調整,延長(cháng)閥門壽命;閥門在全開時,閥體通道(dào)完全暢通,介質流阻小。
主要零部件材料:
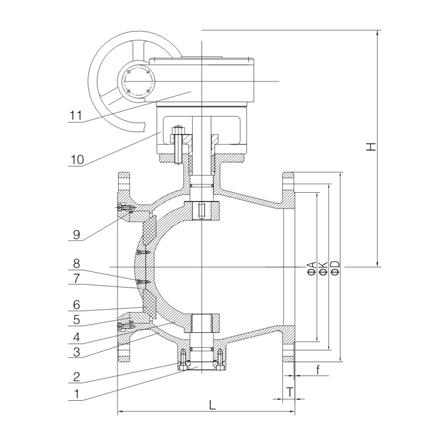
|
序号 |
名稱 |
材料 |
序号 |
名稱 |
材料 |
|
1 |
閥蓋 |
WCB |
7 |
壓圈 |
WCB |
|
2 |
墊片 |
氟橡膠 |
8 |
螺栓 |
20# |
|
3 |
閥體 |
WCB |
9 |
密封墊片 |
氟橡膠 |
|
4 |
半球體 |
WCB |
10 |
支架 |
WCB |
|
5 |
閥座 |
結構陶瓷 |
11 |
驅動裝置 |
成品件 |
|
6 |
密封圈 |
結構陶瓷 |
12 |
應用規範:
|
設計與制造 |
GB/T 12224 |
|
|
連接端尺寸 |
結構長(cháng)度 |
GB12221 |
|
法蘭尺寸 |
GB/T9113 |
|
|
檢驗與試驗 |
GB/T 9092 |
|
|
材料 |
碳鋼 |
GB/T 12229 |
|
不鏽鋼 |
GB/T 12230 |
|
|
标志 |
GB/T 12220 |
|
|
供貨 |
GB/T 12252 |
|
主要外形和(hé)連接尺寸:
|
PN(Mpa) |
DN (mm) |
H |
L |
D |
D1 |
D2 |
n-d |
C |
F |
|
1.6 |
50 |
230 |
124 |
165 |
125 |
100 |
4-Φ18 |
16 |
3 |
|
65 |
237 |
145 |
185 |
145 |
120 |
4-Φ18 |
18 |
3 |
|
|
80 |
260 |
165 |
200 |
160 |
135 |
8-Φ18 |
20 |
3 |
|
|
100 |
270 |
194 |
220 |
180 |
156 |
8-Φ18 |
20 |
3 |
|
|
125 |
320 |
210 |
250 |
210 |
185 |
8-Φ22 |
22 |
3 |
|
|
150 |
340 |
229 |
285 |
240 |
211 |
8-Φ22 |
26 |
3 |
|
|
200 |
390 |
243 |
340 |
295 |
265 |
8-Φ23 |
26 |
3 |
|
|
250 |
420 |
297 |
405 |
355 |
319 |
8-Φ26 |
30 |
3 |
|
|
300 |
510 |
338 |
460 |
410 |
375 |
8-Φ26 |
30 |
4 |